Ebpay

    股票代码
    301528
    管状、环状铸件相控阵检测
    发布日期:2024-03-14 阅读量:3422

           大型铸件在机床制造业、汽车制造业、船舶、电站、兵器工业、钢铁制造等领域应用十分广泛,其制造和加工工艺比较复杂。由于铸件晶粒粗大、透声性差,导致检测时信噪比低,给检测带来困难。下文是一个某型管状和环状铸件的相控阵检测案例,由于待测工件厚度不是很大,因此选用了5M线阵探头进行检测,如壁厚较大,则需采用低频探头,能有效减小衰减,检测效果更好。

    待检工件

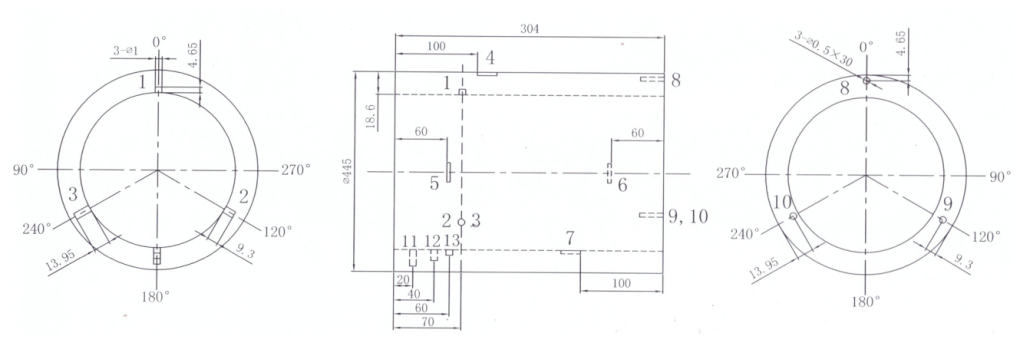
    0.jpg

    上图1为铝青铜管铸件,尺寸为φ445mm,厚度18.5mm,高度304mm。在工件的不同位置上加工了若干个平底孔、横孔和刻槽缺陷,缺陷信息如下图3所示。图2为铝圆环铸件,圆环外径为527mm,内径为200mm,厚度20mm,工件表面光滑。在工件的不同位置加工了若干个平底孔缺陷,缺陷信息如图4所示。

    3.png

    图3 管状铸件加工人工缺陷

    4.png

    图4 环状铸件加工人工缺陷

    检测方式

    铸件中容易出现的缺陷主要有:缩孔残余、疏松、夹杂、裂纹等。检测时,选择横波斜入射方式对线状缺陷进行检测,纵波直入射方式对点状、面状缺陷进行检测,可有效减少漏检。选用EbpayDP2探头装配合适的楔块进行扫查,连接扫查器可记录全部扫查数据。

    02.jpg

    图5 检测用相控阵探头和楔块

    检测结果

    铝青铜管铸件的检测结果如下图6所示。

    1.png

    2.png

    3.png

    图6 铝青铜管铸件检测结果示意图


    铝圆环铸件的检测结果如下图7所示。

    4.png

    5.png

    6.png

    图7 铝圆环铸件检测结果示意图

    结论

           使用EbpayDP2探头能有效检测出本文铸件中加工的人工缺陷,有较好的检测效果。对于批量检测需求,Ebpay可给予自动化解决方案,提高检测效率,节约检测成本